Studying the Significance of Surge Impedance and the Surge Impedance Loading (SIL) of a Transmission Line
Aim
- Loading at SIL (ZL = ZC)
- Heavy Load / Over-Loaded (ZL < ZC)
- Light Load / Under-Loaded (ZL > ZC)
Apparatus & Software
| Sl. No. | Apparatus / Software | Technical Specification | Quantities |
|---|---|---|---|
| 1 | MATLAB/Simulink | R2023 or compatible | 1 |
| 2 | Simulink Library Browser | Power Systems Toolbox | 1 |
- Three-Phase Source
- Three-Phase V-I Measurement
- Pi Section Line
- Three-Phase RLC Branch
- Powergui
- RMS blocks, Displays, and Scopes
| Parameter | Value |
|---|---|
| Source Voltage (RMS, Line-to-Line) | 7 kV |
| Frequency | 50 Hz |
| Line Inductance per km | 2 × 10⁻³ H |
| Line Capacitance per km | 8 × 10⁻⁹ F |
| Line Resistance per km | 1 × 10⁻⁹ Ω |
| Line Length | 200 km |
Theory
- ZL > ZC (Load < SIL): The line behaves capacitively and supplies reactive power. Receiving end voltage will rise (VR > VS). Controlled using shunt reactors.
- ZL = ZC (Load = SIL): Reactive power is balanced and voltage profile remains constant (VR ≈ VS).
- ZL < ZC (Load > SIL): The line behaves inductively and absorbs reactive power. Receiving end voltage will fall (VR < VS). Controlled using shunt capacitors.
Pre-Lab / Circuit Diagram

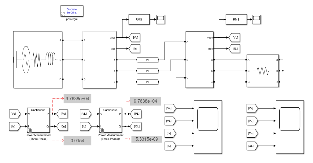
Figure 1: Simulink model of the medium transmission line using nominal Pi model

Figure 2: Complete Simulink setup of the medium transmission line model including measurement and display blocks
Procedure
- Open MATLAB/Simulink and create a new model.
- Build the nominal Pi transmission line model using the Pi Section Line block with the given parameters.
- Connect a Three-Phase Source at the sending end with source voltage 7 kV (RMS, line-to-line) at 50 Hz.
- Connect Three-Phase V-I Measurement blocks at both sending and receiving ends.
- Connect Power Measurement (Three-Phase) blocks to measure active and reactive power at both ends.
- Connect RMS blocks to measure RMS values of voltages and currents.
- Add Scopes and Display blocks to observe the output waveforms and numerical values.
- Set the load resistance ZL = ZC = 500 Ω (SIL condition) and run the simulation. Record VS, VR, PS, PR, QS, QR.
- Change ZL = 100 Ω (heavy load, ZL < ZC) and run the simulation. Record the readings.
- Change ZL = 1000 Ω (light load, ZL > ZC) and run the simulation. Record the readings.
- Compare the voltage and power profiles across all three loading conditions and analyze the results.
Simulation / Execution
Observations

Figure 3: Simulink model showing measured voltage, current, and power readings for loading condition ZL = ZC (Loading = SIL)

Figure 4: Voltage and current waveforms for loading condition ZL = ZC

Figure 5: Active and reactive power waveforms for loading condition ZL = ZC

Figure 6: Simulink model showing measured readings for loading condition ZL < ZC (Loading > SIL)

Figure 7: Voltage and current waveforms for loading condition ZL < ZC

Figure 8: Active and reactive power waveforms for loading condition ZL < ZC

Figure 9: Simulink model showing measured readings for loading condition ZL > ZC (Loading < SIL)

Figure 10: Voltage and current waveforms for loading condition ZL > ZC

Figure 11: Active and reactive power waveforms for loading condition ZL > ZC
| Loading Condition | Load (ZL) | VS (kV) | VR (kV) | PS (MW) | PR (MW) | QS (Mvar) | QR (Mvar) |
|---|---|---|---|---|---|---|---|
| Load = SIL | ZL = 500 Ω | 4.0320 | 4.0320 | 0.0976 | 0.0976 | ≈ 0 | ≈ 0 |
| Load > SIL | ZL = 100 Ω | 3.9314 | 2.4942 | 0.1866 | 0.1866 | 0.2158 | ≈ 0 |
| Load < SIL | ZL = 1000 Ω | 4.0455 | 4.1428 | 0.0514 | 0.0514 | −0.0186 | ≈ 0 |
Calculations
Results & Analysis
- Case 1 (ZL = ZC): The line operates at its natural loading. The sending end voltage VS and the receiving end voltage VR are equal. Both active powers PS and PR are also equal and reactive power is negligible, indicating a balanced reactive condition.
- Case 2 (ZL < ZC): This represents a heavy loading or overload condition. The line shows inductive behavior — VR drops below VS, and the system absorbs reactive power. The current and active power values increase compared to SIL loading.
- Case 3 (ZL > ZC): This is a lightly loaded or underload condition. The line shows capacitive behavior — VR becomes greater than VS. The line supplies reactive power to the system and the active power decreases.
Conclusion
Post-Lab / Viva Voce
- Q: What is Surge Impedance (ZC) and Surge Impedance Loading (SIL) of a transmission line?
A: Surge impedance (or characteristic impedance ZC) is the ratio of voltage to current for a wave traveling along an infinite or lossless transmission line. For a lossless line, it is given by sqrt(L/C). SIL is the real power delivered by a transmission line to a purely resistive load equal to ZC when the line is energized at rated voltage. It is given by SIL = V²/ZC. SIL represents the 'natural' loading of the line where the reactive power generated by the line's shunt capacitance exactly balances the reactive power absorbed by its series inductance. - Q: What is the significance of the flat voltage profile observed at SIL?
A: A flat voltage profile (VR ≈ VS) occurs when the line is loaded at SIL because the reactive power generated by the line's shunt capacitance equals the reactive power absorbed by the series inductance at every point along the line. This means the line provides its own reactive power support, eliminating the need for external compensation and minimizing voltage regulationvoltage regulationThe percentage change in output voltage from no-load to full-load conditions. A lower value indicates better voltage stability under varying load. issues. It is the most efficient operating condition for power transfer over long distances. - Q: Why does the receiving end voltage rise above the sending end voltage under light loading conditions?
A: Under light loading (ZL > ZC), the line's shunt capacitance generates more reactive power than is absorbed by the small inductive current. This excess reactive power causes a voltage build-up along the line, resulting in the receiving end voltage exceeding the sending end voltage. This phenomenon is known as the Ferranti effect and is most pronounced on lightly loaded or no-load long transmission lines. - Q: What is the nominal Pi model and when is it applicable for transmission line analysis?
A: The nominal Pi model represents a transmission line by placing the total series impedance (R + jωL) in a single branch and splitting the total shunt admittance (jωC) equally into two halves at the sending and receiving ends. It is typically used for medium transmission lines (80–250 km) as it provides a reasonable lumped-parameter approximation of the distributed reality. Short lines (< 80 km) neglect shunt capacitance, while long lines (> 250 km) require the distributed parameter (exact) model. - Q: How are overvoltage and undervoltage conditions controlled on a transmission line using reactive compensation?
A: For light loading (ZL > ZC) or Ferranti effect conditions, shunt reactors are used at the receiving end to absorb excess reactive power and lower the voltage. For heavy loading (ZL < ZC), shunt capacitors or Static VAR Compensators (SVCs) are used to inject reactive power and support the voltage. Series capacitors can also be used to reduce the effective series reactance and improve voltage regulation under heavy load. - Q: How do the simulation results for VS and VR compare under different loading conditions relative to SIL?
A: Under SIL loading (ZL = ZC), the simulation shows VS ≈ VR (flat profile). Under heavy loading (ZL < ZC), the series inductive drop dominates, causing VR < VS (undervoltage). under light loading (ZL > ZC), the shunt capacitive generation dominates, causing VR > VS (overvoltage). These results confirm the theoretical behavior of the Nominal Pi model and the significance of SIL as a voltage stability benchmark.
References & Resources (Not Applicable)
This section is not required for this experiment.
Was this experiment helpful?
Your feedback helps us improve
Please Sign In to rate this experiment.